公司简介
资质荣誉
新闻资讯
产品中心
营销网络
人才招聘
客户服务
联系方式
菜单
首页
公司简介
资质荣誉
新闻资讯
产品中心
营销网络
人才招聘
客户服务
联系方式
产品
电梯
扶梯
家用电梯
加装电梯
解决方案
样板工程
服务
维修保养
更新改造
解决方案
配件支持
安装服务
资讯
巨立资讯
媒体资讯
电梯资讯
巨立
巨立简介
发展历程
荣誉资质
合作伙伴
下载中心
社会责任
文体活动
巨立人
品牌文化
联系我们
联系我们
分支机构信息
搜索
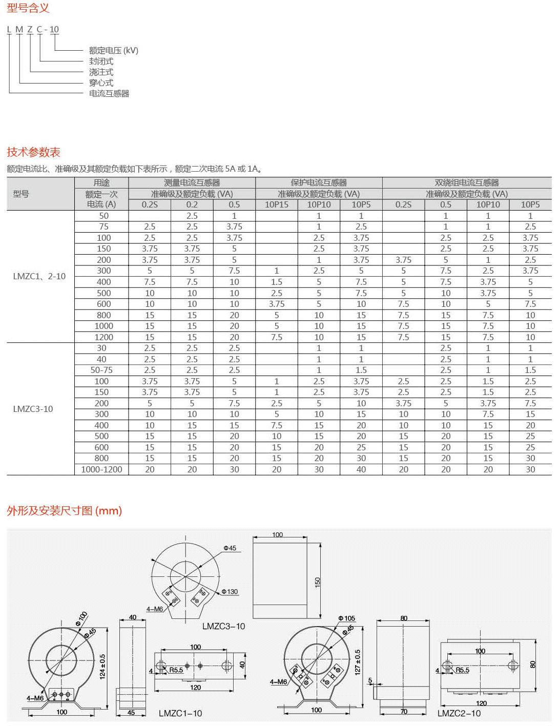
LMZC-10双绕组
在线客服
微信二维码
返回顶部
一键拨号
回到顶部